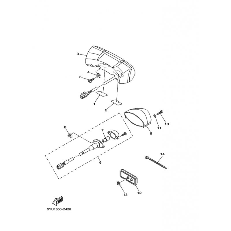
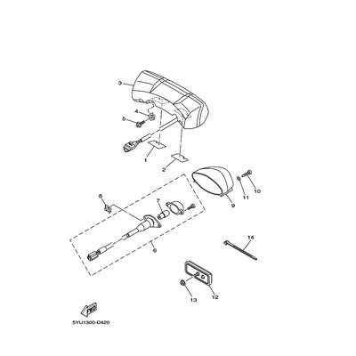
KABEL, ZULASSUNGS. LEUCHTE
Artikelname: KABEL, ZULASSUNGS. LEUCHTE
Hersteller: Yamaha
OEM Nummer: 5YU847470000
Hersteller: Yamaha
OEM Nummer: 5YU847470000






















