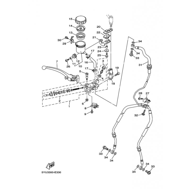
HEBEL 2
Artikelname: HEBEL 2
Hersteller: Yamaha
OEM Nummer: 5YU839220000
Dieser Artikel wurde durch folgenden ersetzt: 5YU839220100
Hersteller: Yamaha
OEM Nummer: 5YU839220000
Dieser Artikel wurde durch folgenden ersetzt: 5YU839220100






















