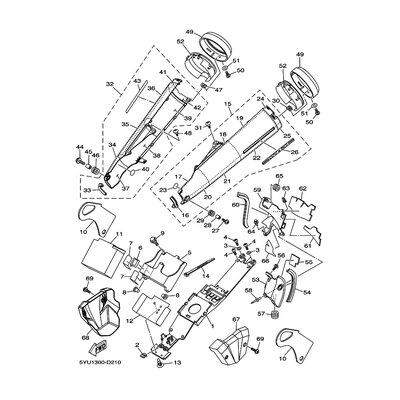
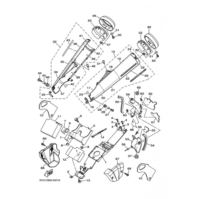
DAMPFER
Artikelname: DAMPFER
Hersteller: Yamaha
OEM Nummer: 5YU283720000
Hersteller: Yamaha
OEM Nummer: 5YU283720000






















