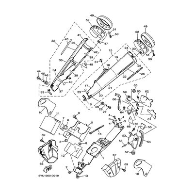
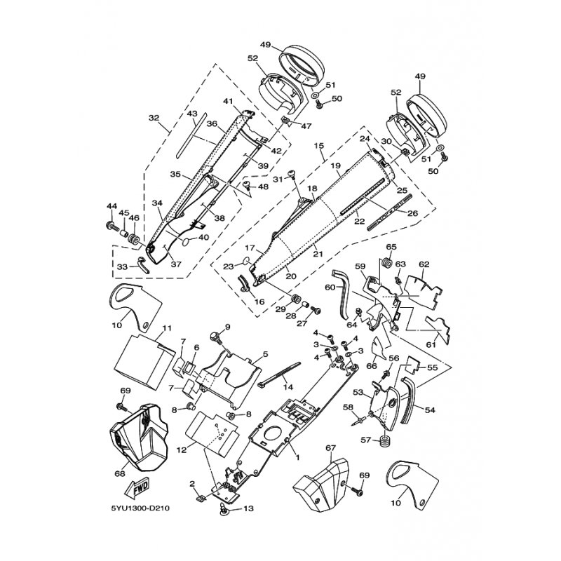
RING, ANSCHLAG
Artikelname: RING, ANSCHLAG
Hersteller: Yamaha
OEM Nummer: 5YU217180000
Hersteller: Yamaha
OEM Nummer: 5YU217180000






















