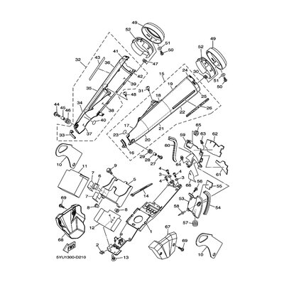
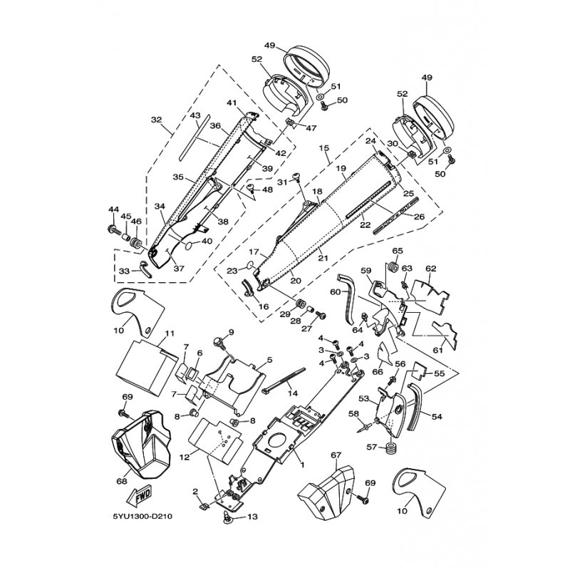
DAMPFER
Artikelname: DAMPFER
Hersteller: Yamaha
OEM Nummer: 5YU217170000
Hersteller: Yamaha
OEM Nummer: 5YU217170000




















