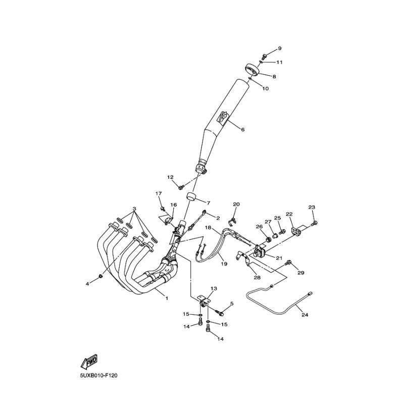
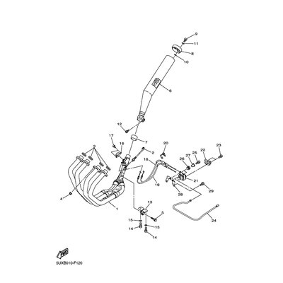
DICHTUNG, SCHALLDAMPFER
Artikelname: DICHTUNG, SCHALLDAMPFER
Hersteller: Yamaha
OEM Nummer: 5YU147140000
Hersteller: Yamaha
OEM Nummer: 5YU147140000






















