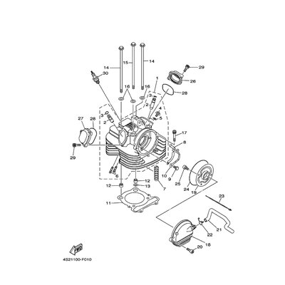
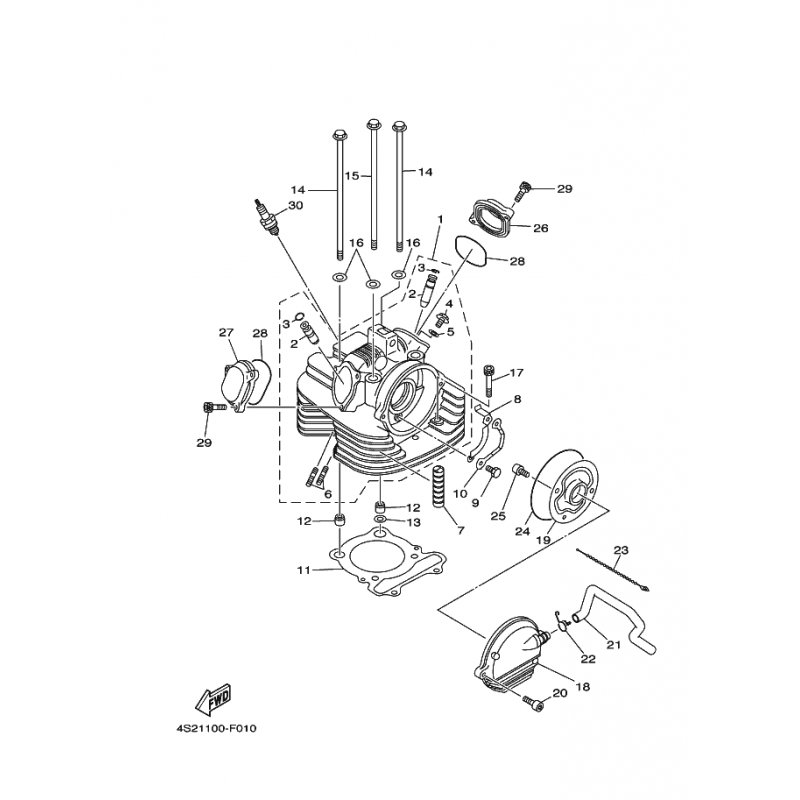
ZYLINDERKOPF
Artikelname: ZYLINDERKOPF
Hersteller: Yamaha
OEM Nummer: 5YT111012000
Hersteller: Yamaha
OEM Nummer: 5YT111012000






















