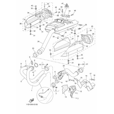
DICHTUNG, SCHALLDAMPFER
Artikelname: DICHTUNG, SCHALLDAMPFER
Hersteller: Yamaha
OEM Nummer: 5YKE47140000
Hersteller: Yamaha
OEM Nummer: 5YKE47140000






















