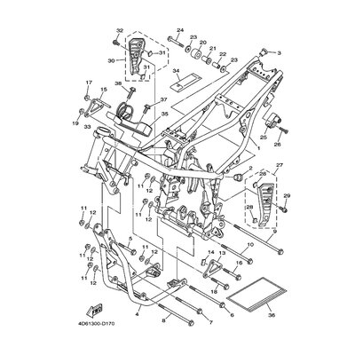
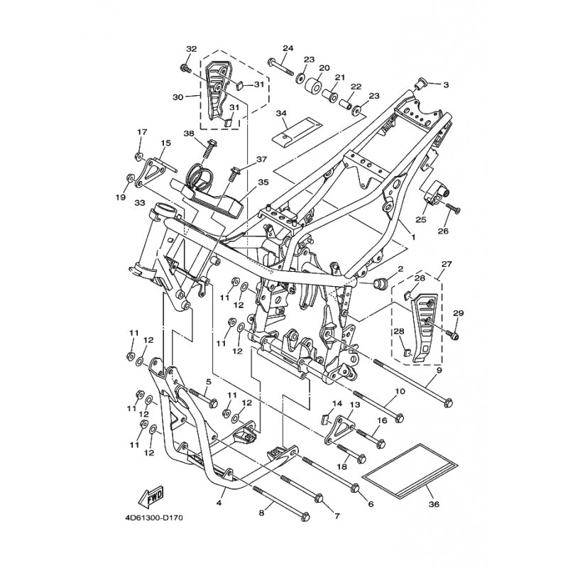
BEUTEL
Artikelname: BEUTEL
Hersteller: Yamaha
OEM Nummer: 5XT281860000
Hersteller: Yamaha
OEM Nummer: 5XT281860000






















