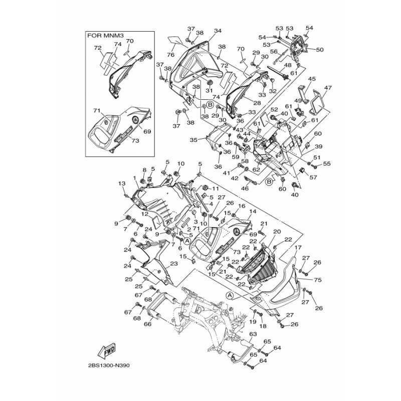
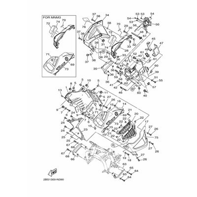
DAMPFER
Artikelname: DAMPFER
Hersteller: Yamaha
OEM Nummer: 5XT217460000
Hersteller: Yamaha
OEM Nummer: 5XT217460000




















