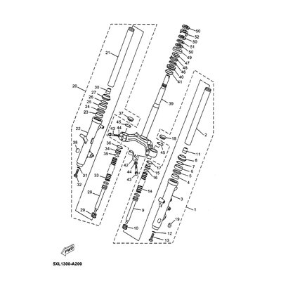
FEDER,VORDERRADGABEL
Artikelname: FEDER,VORDERRADGABEL
Hersteller: Yamaha
OEM Nummer: 5XLF31410000
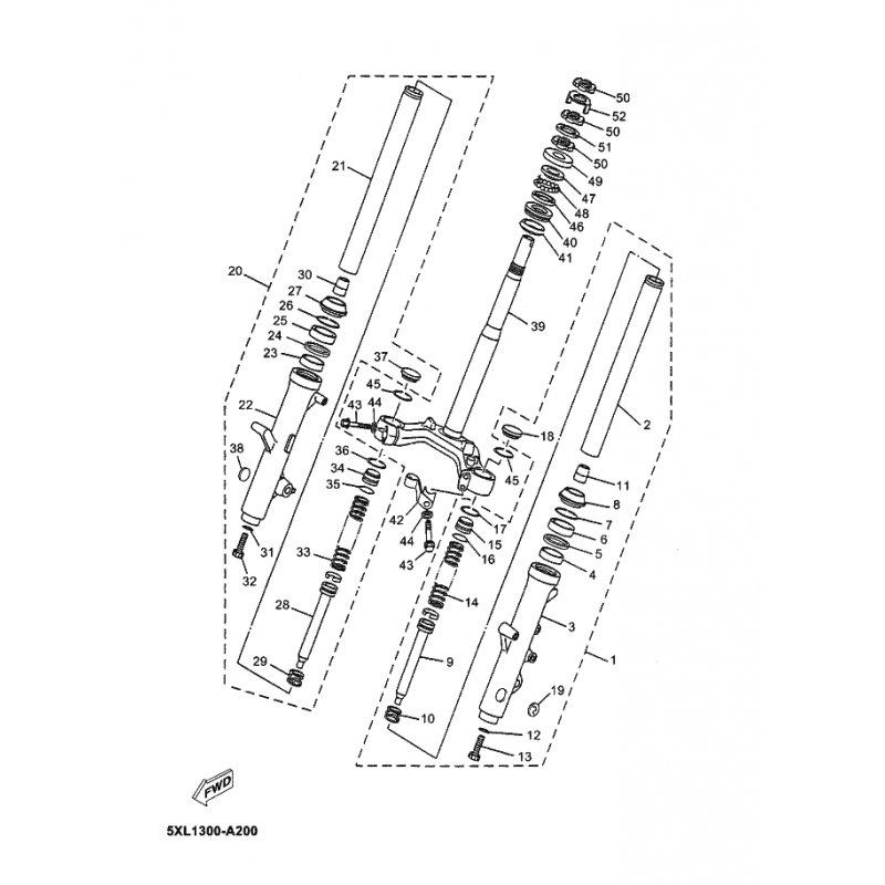
Hersteller: Yamaha
OEM Nummer: 5XLF31410000






















