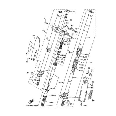
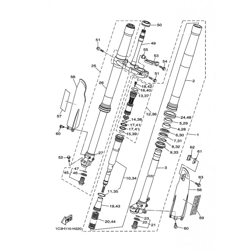
ZYLINDER KOMPL. VORDERRADGA
Artikelname: ZYLINDER KOMPL. VORDERRADGA
Hersteller: Yamaha
OEM Nummer: 5XC23170P000
Hersteller: Yamaha
OEM Nummer: 5XC23170P000






















