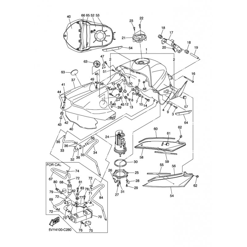
KONSOLE, KRAFTSTOFFPUMPE
Artikelname: KONSOLE, KRAFTSTOFFPUMPE
Hersteller: Yamaha
OEM Nummer: 5VY244910000
Hersteller: Yamaha
OEM Nummer: 5VY244910000






















