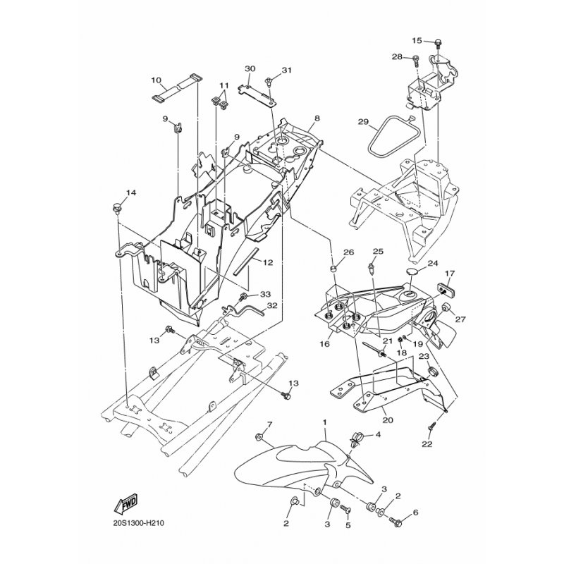
KOTFLUGEL, VORNE
Artikelname: KOTFLUGEL, VORNE
Hersteller: Yamaha
OEM Nummer: 5VX21511A0P1
Hersteller: Yamaha
OEM Nummer: 5VX21511A0P1




















