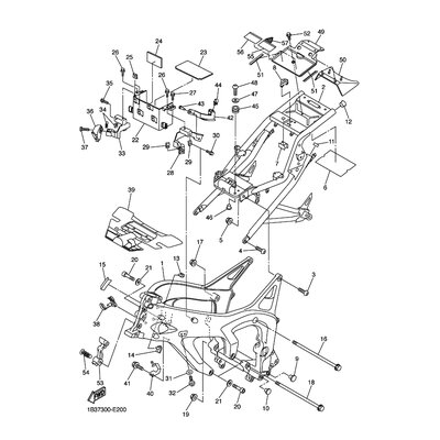
SEAL
Artikelname: SEAL
Hersteller: Yamaha
OEM Nummer: 5VX2139B0000
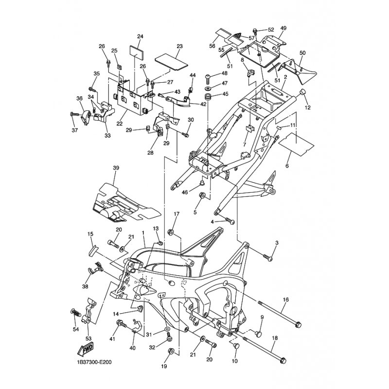
Hersteller: Yamaha
OEM Nummer: 5VX2139B0000






















