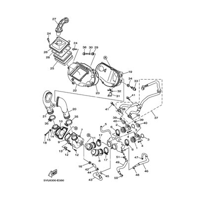
SCHALLDAMPFER, EINLASS 1
Artikelname: SCHALLDAMPFER, EINLASS 1
Hersteller: Yamaha
OEM Nummer: 5VU144310000
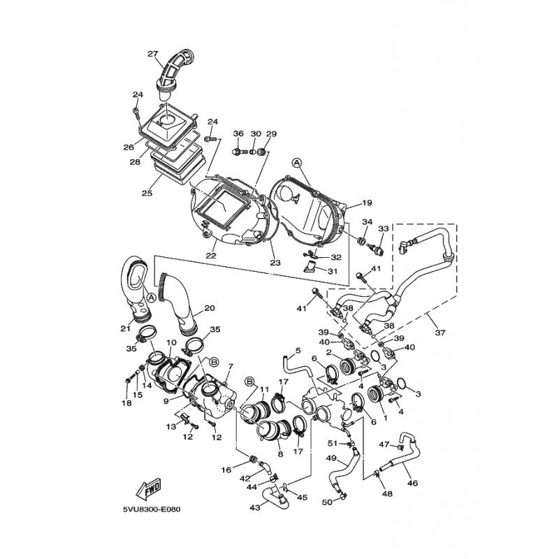
Hersteller: Yamaha
OEM Nummer: 5VU144310000






















