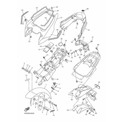
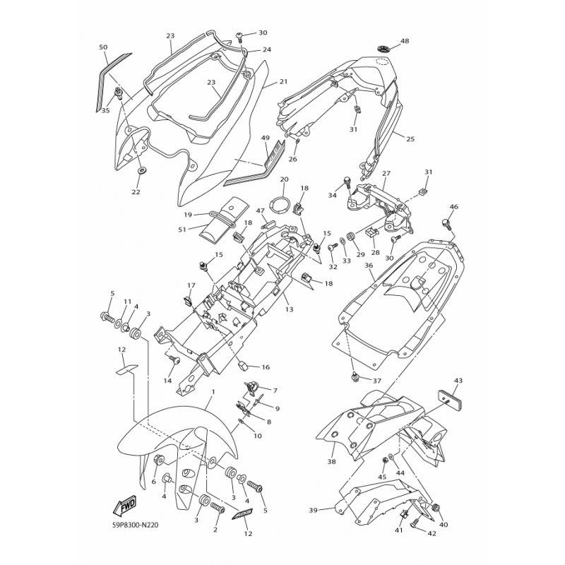
EMBLEM
Artikelname: EMBLEM
Hersteller: Yamaha
OEM Nummer: 5VS215782000
Hersteller: Yamaha
OEM Nummer: 5VS215782000




















