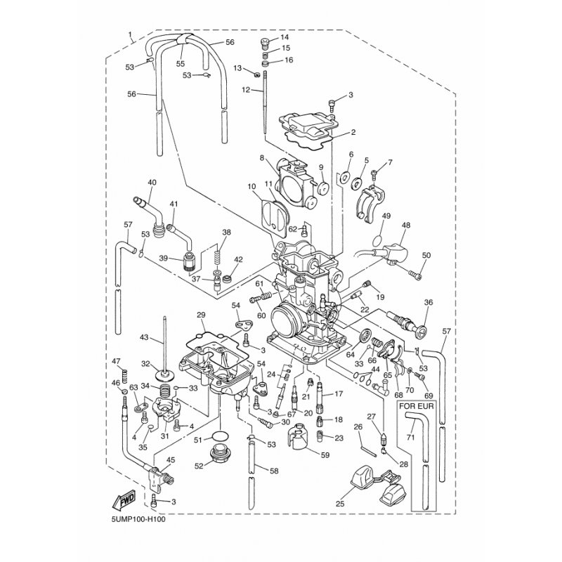
NADEL
Artikelname: NADEL
Hersteller: Yamaha
OEM Nummer: 5UM14916V100
Hersteller: Yamaha
OEM Nummer: 5UM14916V100




















