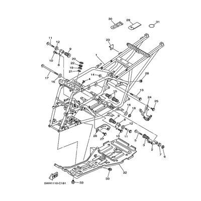
STUTZE, MOTOR 3
Artikelname: STUTZE, MOTOR 3
Hersteller: Yamaha
OEM Nummer: 5UHF13160000
Dieser Artikel wurde durch folgenden ersetzt: 5UHF13160100
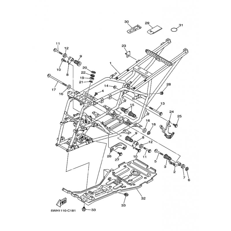
Hersteller: Yamaha
OEM Nummer: 5UHF13160000
Dieser Artikel wurde durch folgenden ersetzt: 5UHF13160100




















