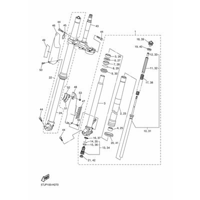
GABELBEIN (RECHTS)
Artikelname: GABELBEIN (RECHTS)
Hersteller: Yamaha
OEM Nummer: 5TJ23103F000
Dieser Artikel wurde durch folgenden ersetzt: 5TJ23103F200
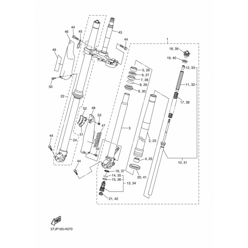
Hersteller: Yamaha
OEM Nummer: 5TJ23103F000
Dieser Artikel wurde durch folgenden ersetzt: 5TJ23103F200






















