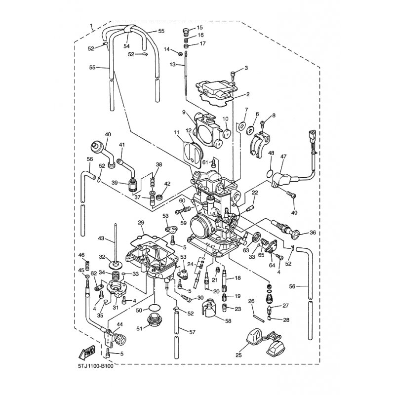
NADEL
Artikelname: NADEL
Hersteller: Yamaha
OEM Nummer: 5TJ14916D100
Hersteller: Yamaha
OEM Nummer: 5TJ14916D100





















