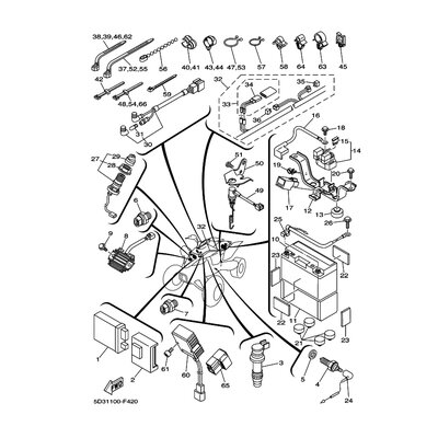
NEGATIVES KABEL
Artikelname: NEGATIVES KABEL
Hersteller: Yamaha
OEM Nummer: 5TG821160000
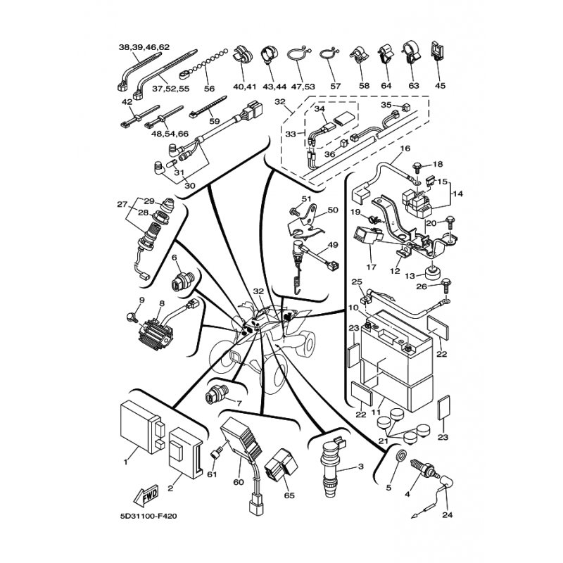
Hersteller: Yamaha
OEM Nummer: 5TG821160000




















