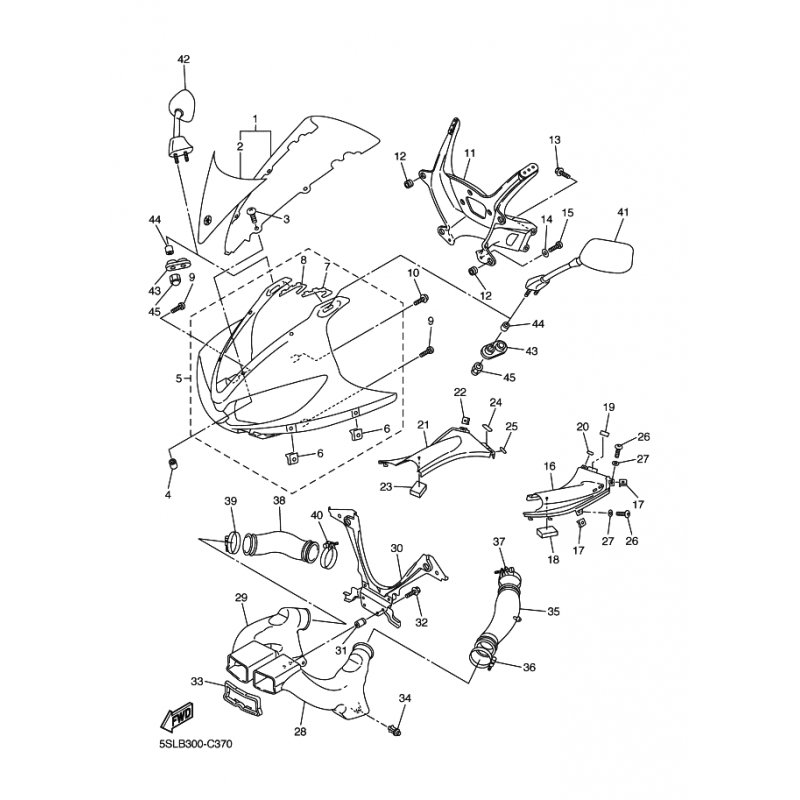
RUCKBLICKSPIEGEL KOMPL (R)
Artikelname: RUCKBLICKSPIEGEL KOMPL (R)
Hersteller: Yamaha
OEM Nummer: 5SL262900000
Hersteller: Yamaha
OEM Nummer: 5SL262900000






















