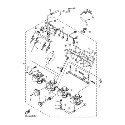
DROSSELSCHRAUBENSTAZ
Artikelname: DROSSELSCHRAUBENSTAZ
Hersteller: Yamaha
OEM Nummer: 5SL141030000
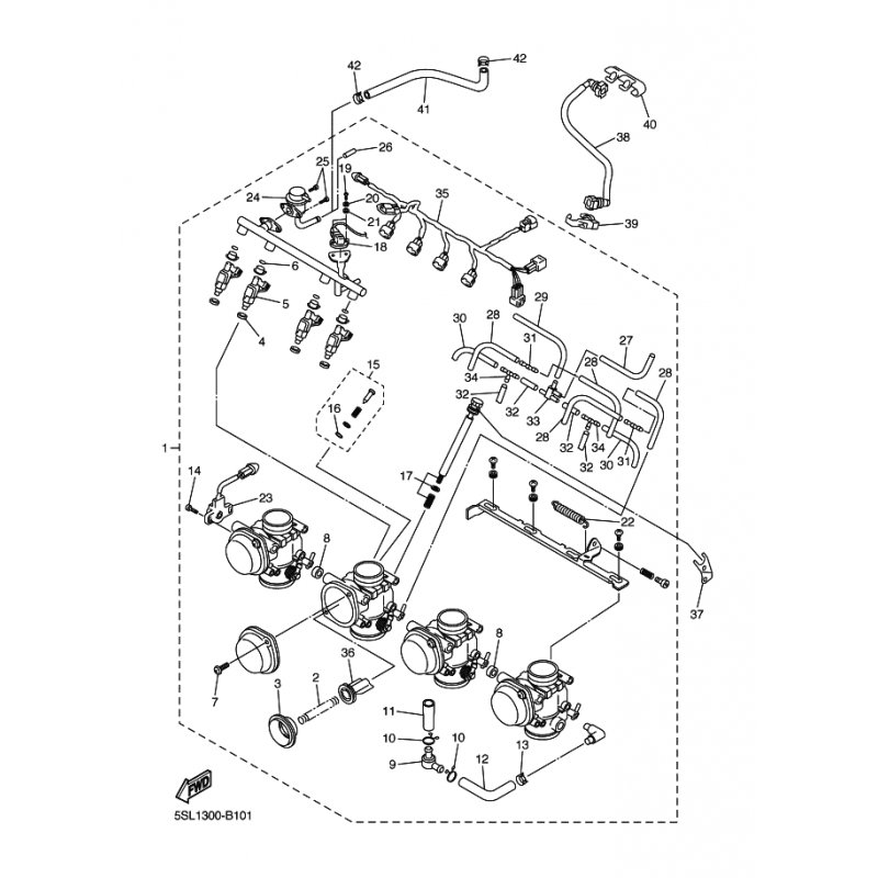
Hersteller: Yamaha
OEM Nummer: 5SL141030000






















