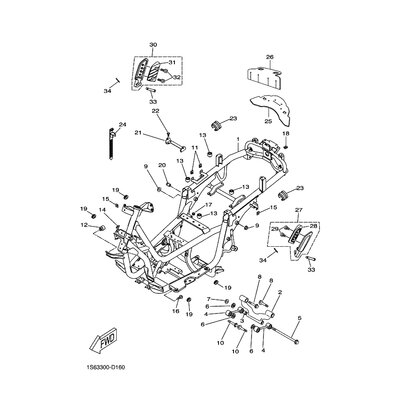
HINTERE FUSSRASTE KOMPL. 2
Artikelname: HINTERE FUSSRASTE KOMPL. 2
Hersteller: Yamaha
OEM Nummer: 5SEF74402000
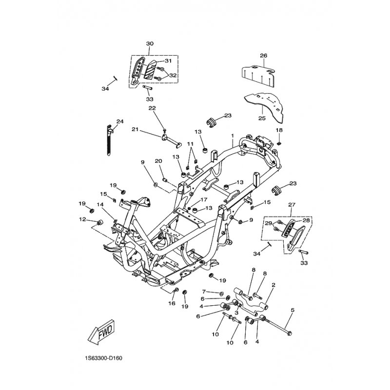
Hersteller: Yamaha
OEM Nummer: 5SEF74402000






















