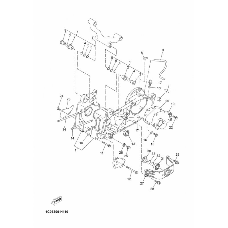
DECKEL, KURBELGEHAUSE 2
Artikelname: DECKEL, KURBELGEHAUSE 2
Hersteller: Yamaha
OEM Nummer: 5SEE54210000
Hersteller: Yamaha
OEM Nummer: 5SEE54210000




















