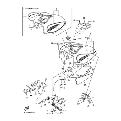
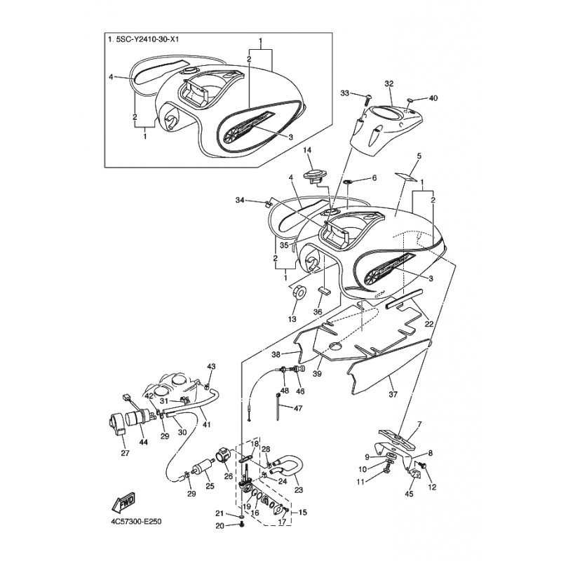
ZIERVERKLEIDUNG, ABDECKUNG
Artikelname: ZIERVERKLEIDUNG, ABDECKUNG
Hersteller: Yamaha
OEM Nummer: 5SC2414H0000
Hersteller: Yamaha
OEM Nummer: 5SC2414H0000






















