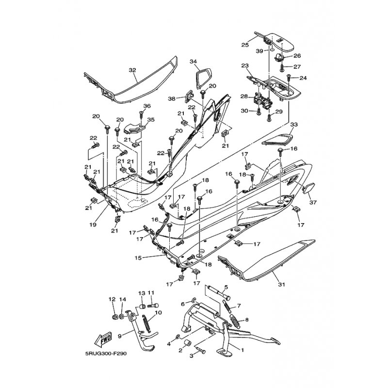
HAUPTSTANDER
Artikelname: HAUPTSTANDER
Hersteller: Yamaha
OEM Nummer: 5RU271110000
Hersteller: Yamaha
OEM Nummer: 5RU271110000






















