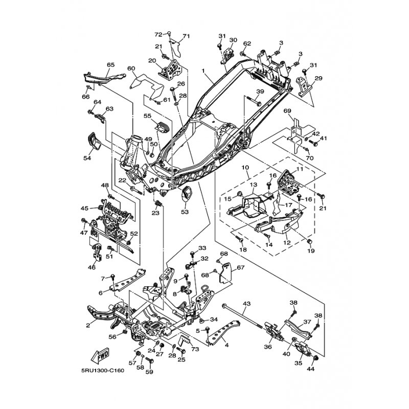
DECKEL 10
Artikelname: DECKEL 10
Hersteller: Yamaha
OEM Nummer: 5RU2117Y0000
Dieser Artikel wurde durch folgenden ersetzt: 5RU2117Y0100
Hersteller: Yamaha
OEM Nummer: 5RU2117Y0000
Dieser Artikel wurde durch folgenden ersetzt: 5RU2117Y0100






















