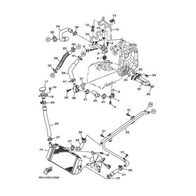
VERBINDUNG
Artikelname: VERBINDUNG
Hersteller: Yamaha
OEM Nummer: 5RU124460100
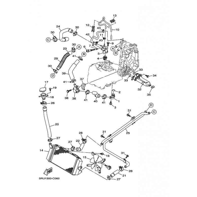
Hersteller: Yamaha
OEM Nummer: 5RU124460100






















