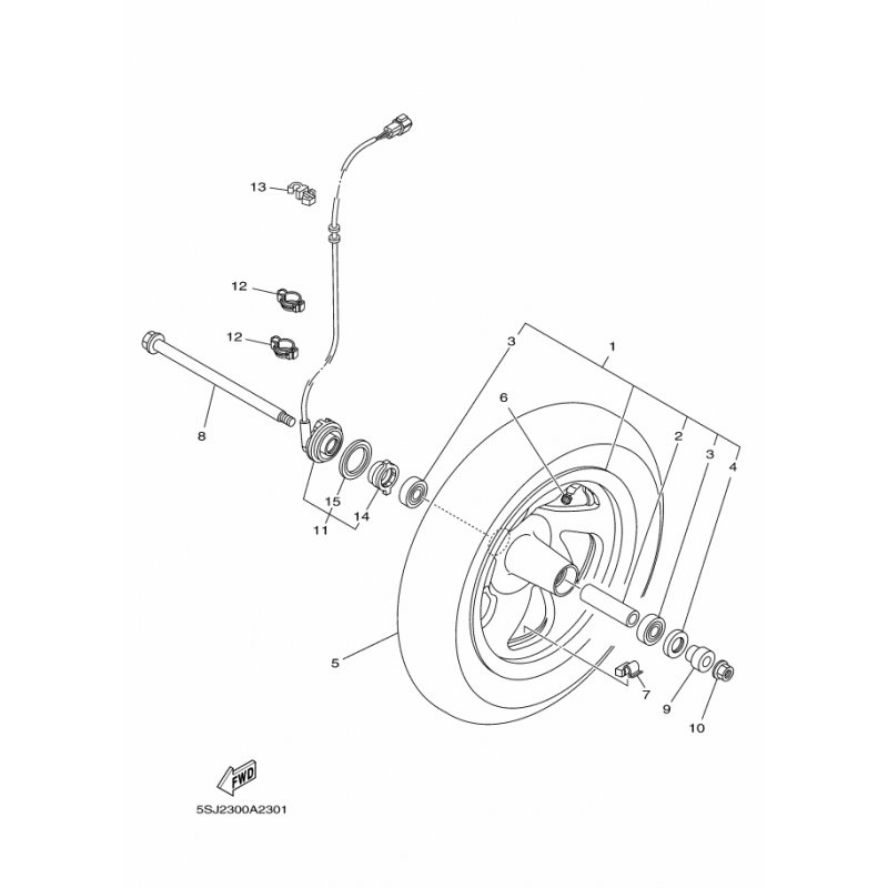
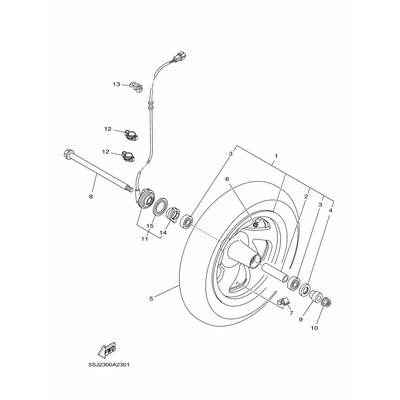
GUSSFELGE, VORNE
Artikelname: GUSSFELGE, VORNE
Hersteller: Yamaha
OEM Nummer: 5RB251600035
Hersteller: Yamaha
OEM Nummer: 5RB251600035






















