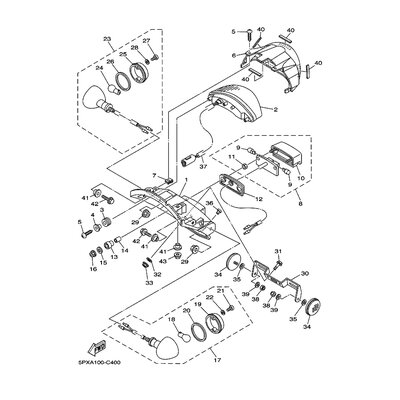
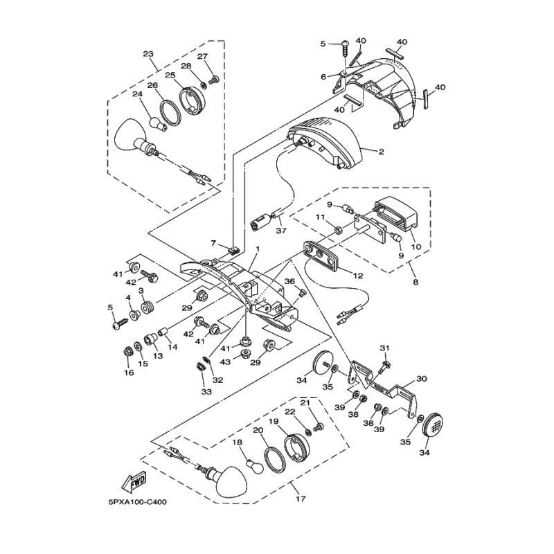
HULSE
Artikelname: HULSE
Hersteller: Yamaha
OEM Nummer: 5PX845570000
Hersteller: Yamaha
OEM Nummer: 5PX845570000





















