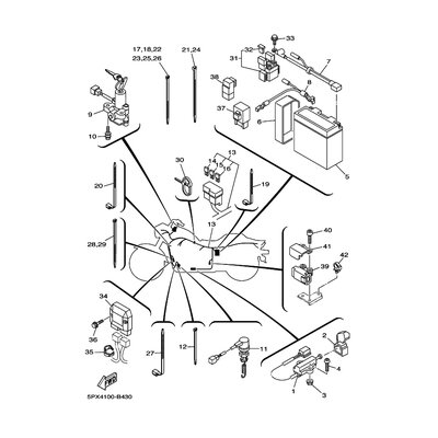
SCHALTER, SEITENSTANDER
Artikelname: SCHALTER, SEITENSTANDER
Hersteller: Yamaha
OEM Nummer: 5PX82566C000
Dieser Artikel wurde durch folgenden ersetzt: 5PX82566C100
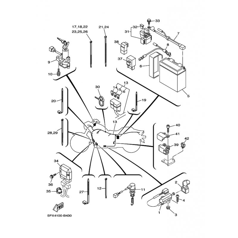
Hersteller: Yamaha
OEM Nummer: 5PX82566C000
Dieser Artikel wurde durch folgenden ersetzt: 5PX82566C100






















