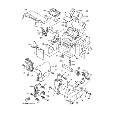
DAMPFER
Artikelname: DAMPFER
Hersteller: Yamaha
OEM Nummer: 5PX217470000
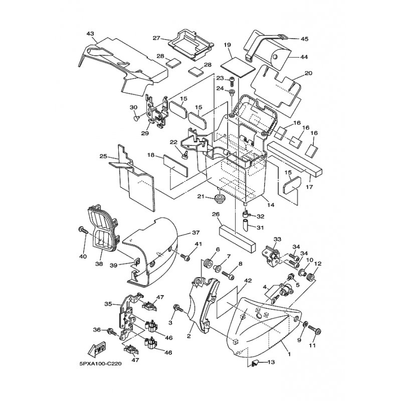
Hersteller: Yamaha
OEM Nummer: 5PX217470000






















