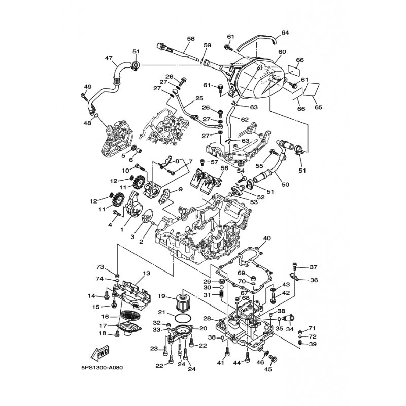
FILTER, OL
Artikelname: FILTER, OL
Hersteller: Yamaha
OEM Nummer: 5PS134110000
Hersteller: Yamaha
OEM Nummer: 5PS134110000






















