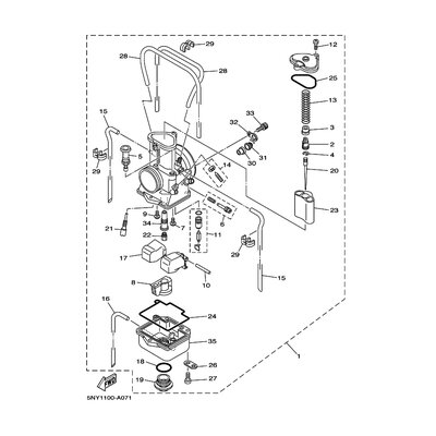
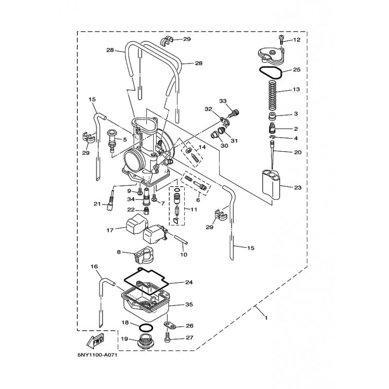
VENTIL, DROSSEL 1
Artikelname: VENTIL, DROSSEL 1
Hersteller: Yamaha
OEM Nummer: 5NY141124000
Hersteller: Yamaha
OEM Nummer: 5NY141124000




















