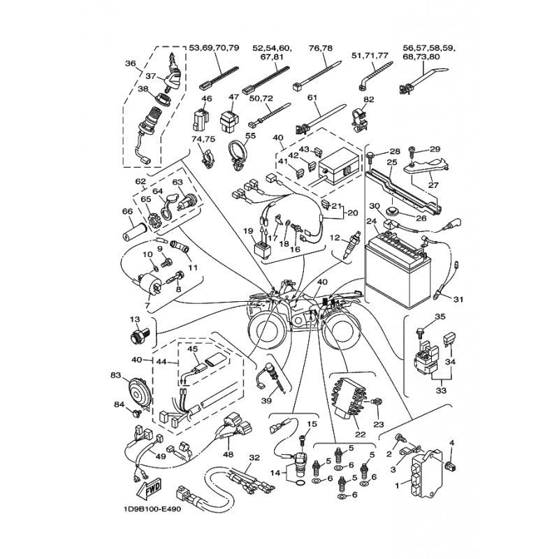
LEITUNGSDRAHT-UNTERGRUPPE
Artikelname: LEITUNGSDRAHT-UNTERGRUPPE
Hersteller: Yamaha
OEM Nummer: 5ND823090000
Hersteller: Yamaha
OEM Nummer: 5ND823090000






















