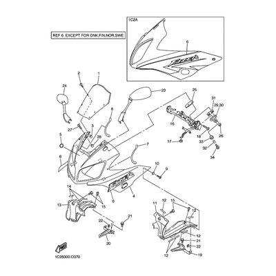
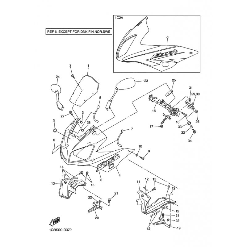
EMBLEM
Artikelname: EMBLEM
Hersteller: Yamaha
OEM Nummer: 5LV283156000
Hersteller: Yamaha
OEM Nummer: 5LV283156000






















