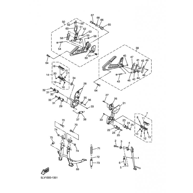
VORDERE FUSSRASTE KOMPL. (L
Artikelname: VORDERE FUSSRASTE KOMPL. (L
Hersteller: Yamaha
OEM Nummer: 5LV274100000
Hersteller: Yamaha
OEM Nummer: 5LV274100000






















