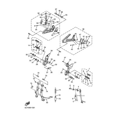
HAUPTSTANDER
Artikelname: HAUPTSTANDER
Hersteller: Yamaha
OEM Nummer: 5LV271110000
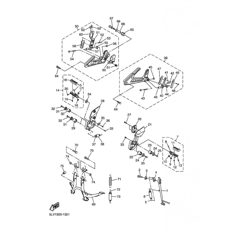
Hersteller: Yamaha
OEM Nummer: 5LV271110000




















