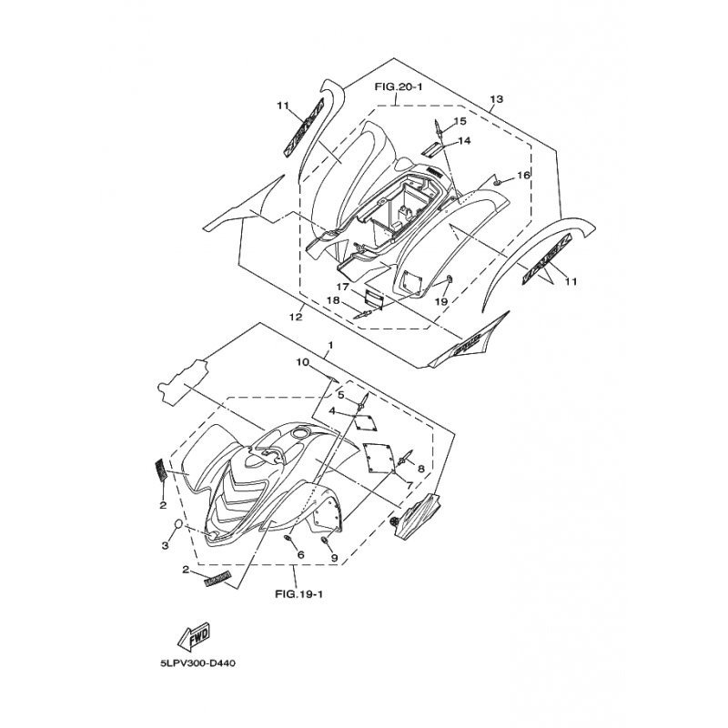
AUFKLEBERSATZ, V. KOTFLUGEL
Artikelname: AUFKLEBERSATZ, V. KOTFLUGEL
Hersteller: Yamaha
OEM Nummer: 5LP21570F000
Dieser Artikel wurde durch folgenden ersetzt: 5LP21570F900
Hersteller: Yamaha
OEM Nummer: 5LP21570F000
Dieser Artikel wurde durch folgenden ersetzt: 5LP21570F900






















