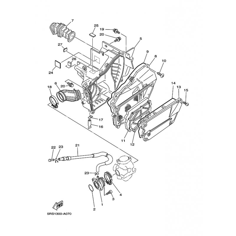
VERBINDUNG, LUFTFILTER 1
Artikelname: VERBINDUNG, LUFTFILTER 1
Hersteller: Yamaha
OEM Nummer: 5LB144531000
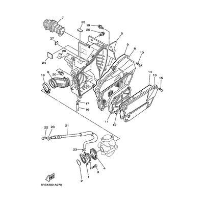
Hersteller: Yamaha
OEM Nummer: 5LB144531000




















