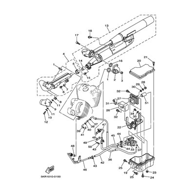
SCHLAUCH, UNTERDRUCKSENSOR
Artikelname: SCHLAUCH, UNTERDRUCKSENSOR
Hersteller: Yamaha
OEM Nummer: 5KR135440000
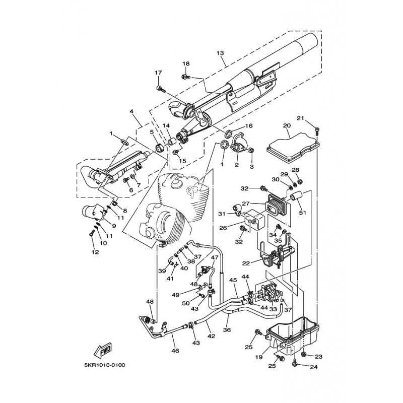
Hersteller: Yamaha
OEM Nummer: 5KR135440000






















