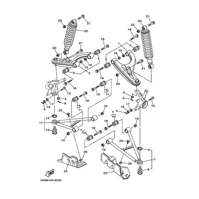
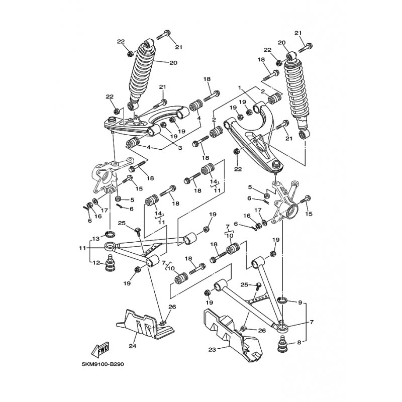
DECKEL 1, UNTEN
Artikelname: DECKEL 1, UNTEN
Hersteller: Yamaha
OEM Nummer: 5KM231230000
Hersteller: Yamaha
OEM Nummer: 5KM231230000




















