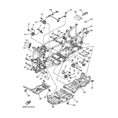
RAHMEN KOMPL.
Artikelname: RAHMEN KOMPL.
Hersteller: Yamaha
OEM Nummer: 5KM211101000
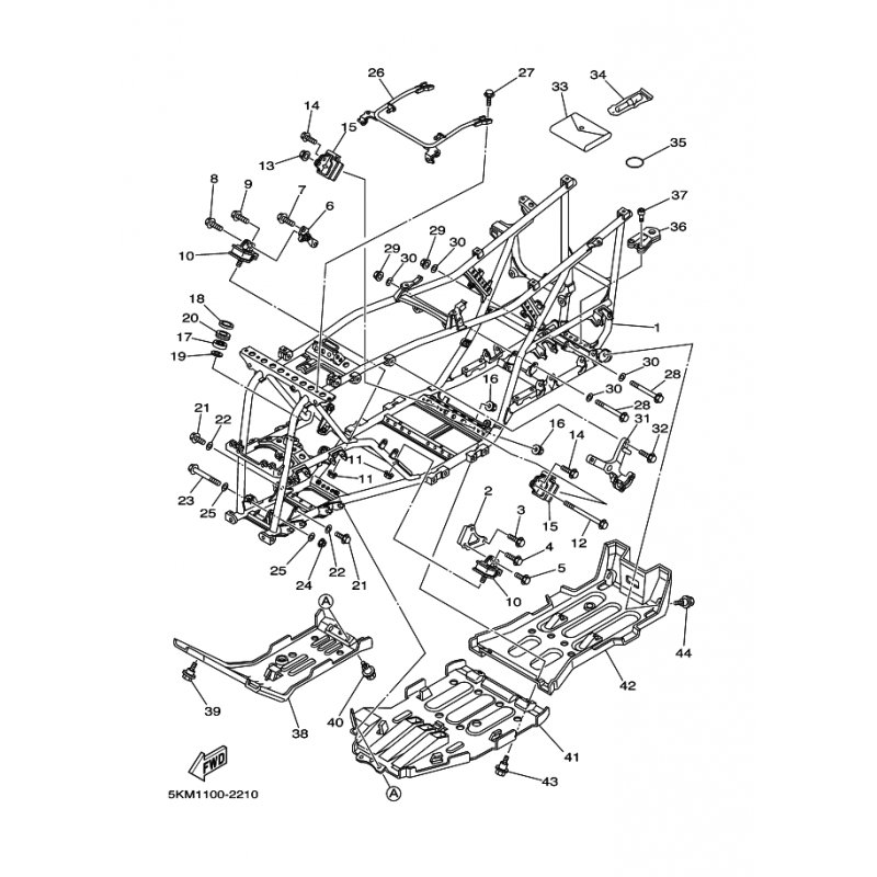
Hersteller: Yamaha
OEM Nummer: 5KM211101000




















