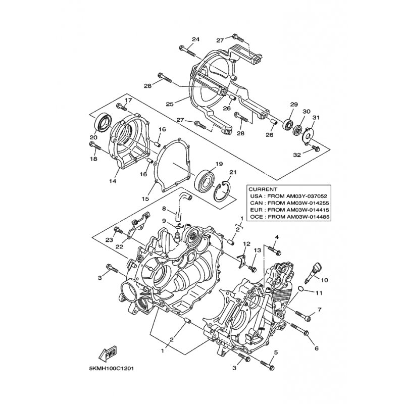
KURBELGEHAUSEEINHEIT
Artikelname: KURBELGEHAUSEEINHEIT
Hersteller: Yamaha
OEM Nummer: 5KM151000400
Dieser Artikel wurde durch folgenden ersetzt: 999990345600
Hersteller: Yamaha
OEM Nummer: 5KM151000400
Dieser Artikel wurde durch folgenden ersetzt: 999990345600




















