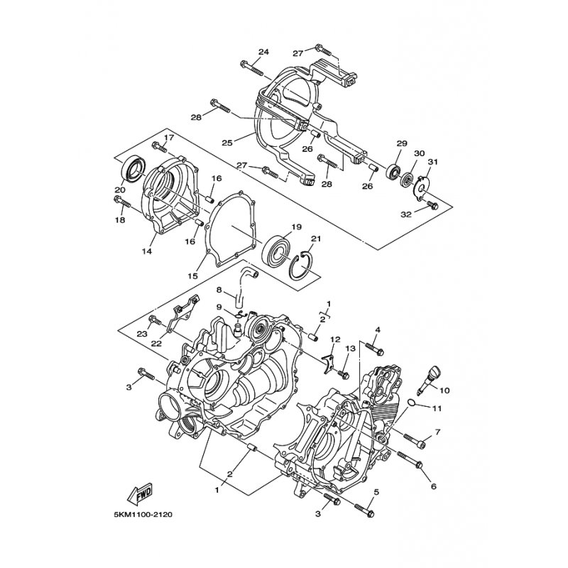
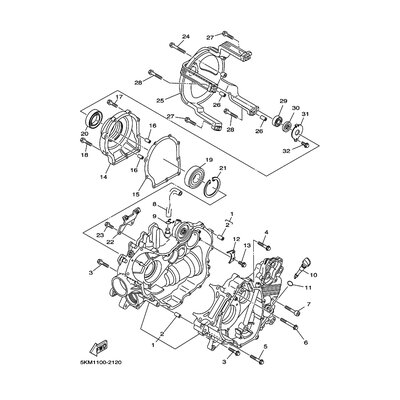
KURBELGEHAUSEEINHEIT
Artikelname: KURBELGEHAUSEEINHEIT
Hersteller: Yamaha
OEM Nummer: 5KM151000100
Dieser Artikel wurde durch folgenden ersetzt: 5KM151000200
Hersteller: Yamaha
OEM Nummer: 5KM151000100
Dieser Artikel wurde durch folgenden ersetzt: 5KM151000200




















