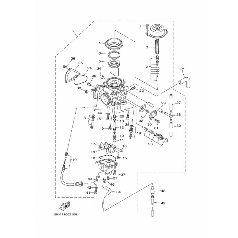
ROHR
Artikelname: ROHR
Hersteller: Yamaha
OEM Nummer: 5KM141971000
Hersteller: Yamaha
OEM Nummer: 5KM141971000






















