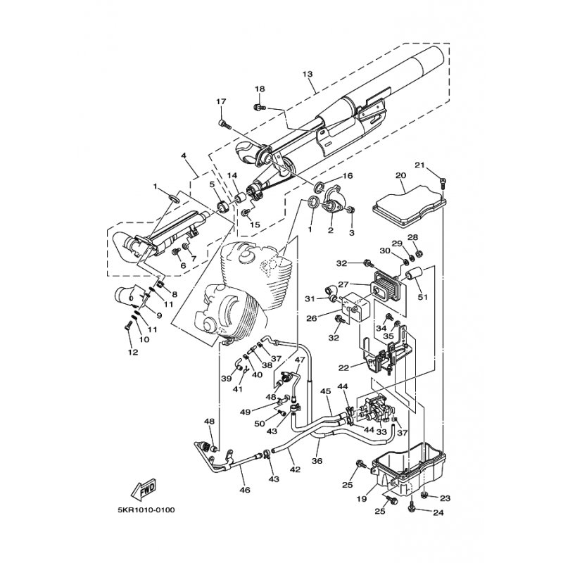
DICHTUNG, SCHALLDAMPFER
Artikelname: DICHTUNG, SCHALLDAMPFER
Hersteller: Yamaha
OEM Nummer: 5JX147140000
Dieser Artikel wurde durch folgenden ersetzt: 4DJ147140000
Hersteller: Yamaha
OEM Nummer: 5JX147140000
Dieser Artikel wurde durch folgenden ersetzt: 4DJ147140000




















