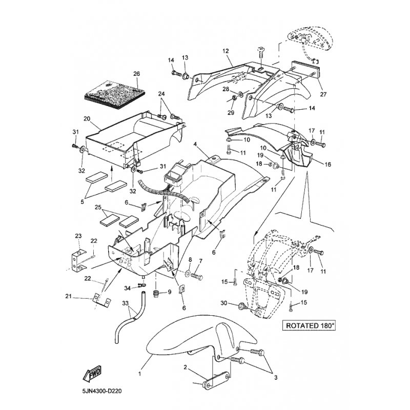
Yamaha Teil 5JNF8199P500
Artikelname: Yamaha Teil 5JNF8199P500
Hersteller: Yamaha
OEM Nummer: 5JNF8199P500
Hersteller: Yamaha
OEM Nummer: 5JNF8199P500




















